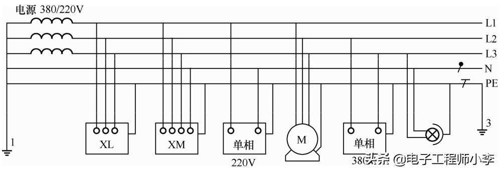
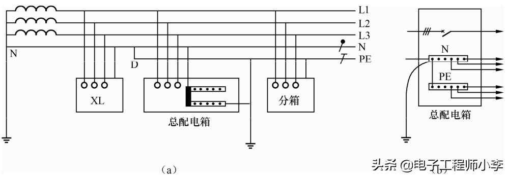
在我国,供电系统采用三相三线制、三相四线制和三相五线制等类型。国际电工委员会则统一规定为TT系统、TN系统和IT系统等。供电系统的具体分类表示如下: 系统类型中字母的含义分别为: 1——用字母表示,表示电力(电源)系统对地的关系:T表示一点直接接地,I表示所有带电部分绝缘; 2——用字母表示,表示用电装置外露的可导电部分对地的关系:T表示设备外壳接地,它与系统中的其他任何接地点无直接关系; 3——用字母表示,表示中性线与保护线的组合关系:C表示中性线与保护线是合一的,如TN-C;S表示中性线与保护线是严格分开的,PE线为专用保护线,如TN-S。 在选择系统接地形式时,应根据系统安全保护具备的条件,并结合工程的实际情况来确定选用,可参照以下几项原则: ①由同一台发电机、配电变压器或同一段母线供电的低压电力系统,不宜同时采用两种系统接地形式。比如,在同一接地低压配电系统中,不宜同时采用TN和TT系统。 ②当在同一低压配电系统中,无法全部采用TN系统时,也可部分采用TT系统接地形式。 ③当采用TT系统供电时,均应装设能自动切除接地故障的装置(包括漏电电流动作保护装置)或经过由隔离变压器供电。 TT系统是设备的金属外壳直接接地的保护系统,称为保护接地系统,如图5.1(a)所示。 图5.1TT方式供电系统 电气设备采用接地保护可以大大减少触电的危险性。但如果相线触及设备金属外壳时,自动断路器不一定跳闸,熔断器也不一定能熔断,故障设备的外壳对地电压就会高于安全电压,所以还需加装漏电断路器作保护。另外,TT系统的接地装置耗材较多,因此TT系统应用较少。 目前,有些地方在临时用电时采用TT系统,增加了一根公共保护地线,可节约接地装置,如图5.1(b)所示。图中把增加的专用保护线PE和中性线N分开了,保护线PE与中性线没有了电的直接联系;设备正常运行时,专用保护线中没有电流。TT系统适用于接地保护点很分散的地方。 TN供电系统是指电源中性点接地,将电气设备的金属外壳与中性线连接的保护系统,称为接零保护系统。TN-C方式供电系统的中性线兼作接零保护线,称作保护性中性线,用PEN表示。TN-C方式供电系统的示意图如图5.2所示。 图5.2TN-C方式供电系统 当设备外壳带电时,接零保护系统将漏电电流上升为较大的短路电流,即单相对地短路故障,熔丝会熔断,断路器自动跳闸,使故障设备断电。因中性线上有不平衡电流存在,则对地有电压,保护线所连接的电器设备金属外壳有一定的电位,所以若供电中性线断线,则保护接零的漏电设备外壳带电。 TN-C系统使用漏电断路器时,中性线不能作为设备的保护零线。保护线上不应设置保护电器和隔离电器。如果电源的相线碰地,则设备的外壳电位升高,会使中性线上的危险电位蔓延。 在TN-C系统中,应采用漏电电流保护或其他保护装置。 电源的中性点接地,中性线N和专用保护接零线PE严格分开的供电系统,称作TN-S供电系统,俗称三相五线制,如图5.3所示。当系统正常运行时,专用保护线上无电流,中性线上也没有不平衡电流。另外PE线有重复接地,不经过漏电断路器,所以供电可靠性高。 图5.3TN-S方式供电系统 中性线可用作单相照明负载的回路线。接零保护可以实现将故障电流转为短路电流,使断路器自动跳闸,安全性能可靠。 TN-S方式供电系统安全可靠,适用于工业与民用建筑等低压供电系统。建筑工程竣工前的“三通一平”(电通、水通、路通和地面平),必须采用TN-S方式供电系统。 在供电系统中,变压器的中性点接地,但中性点没有接出PE线,是三相四线制供电;而某些用电场所要求必须采用专用保护线PE时,可在场所总配电箱中分出PE线,该种系统称为TN-C-S供电系统,如图5.4所示。 图5.4(a)中,总配电箱中N端子与PE端子必须实现连接;图5.4(b)中是在总配电箱中分出PE线,中性线N进入总配电箱后应直接与接地装置焊接连接,中性线N与专用保护线PE连通在一起。 提示 TN-C-S方式供电系统是在TN-C系统上临时变通的做法。当三相电力变压器工作接地情况良好、三相负载比较平衡时,TN-C-S系统在施工用电实践中效果还是可行的。但是,在三相负载不平衡、建筑施工工地有专用的电力变压器时,则必须采用TN-S方式供电系统。 图5.4TN-C-S方式供电系统 IT方式供电系统一般用于一级负荷用户或不允许停电的场所,如图5.5(a)所示。如医院的手术室、地下矿井等处多采用此种方式。 图5.5IT方式供电系统 在供电距离不长时,IT系统供电的可靠性高,安全性好;而在供电距离很长时,该系统供电线路对大地的分布电容就应引起重视了。由图5.5(b)可见:当负载漏电使设备外壳带电时,漏电电流与大地形成回路,保护设备如不动作,会发生危险。 IT系统中的任何带电部分(包括中性线)严禁直接接地。IT系统中的电源系统对地应保持良好的绝缘状态。所有设备外露可导电部分均应通过保护线与接地极(或保护接地母线、总接线端子)连接。 IT系统必须装设绝缘监视及接地故障报警或显示装置。在无特殊要求的情况下,IT系统不宜引出中性线。





